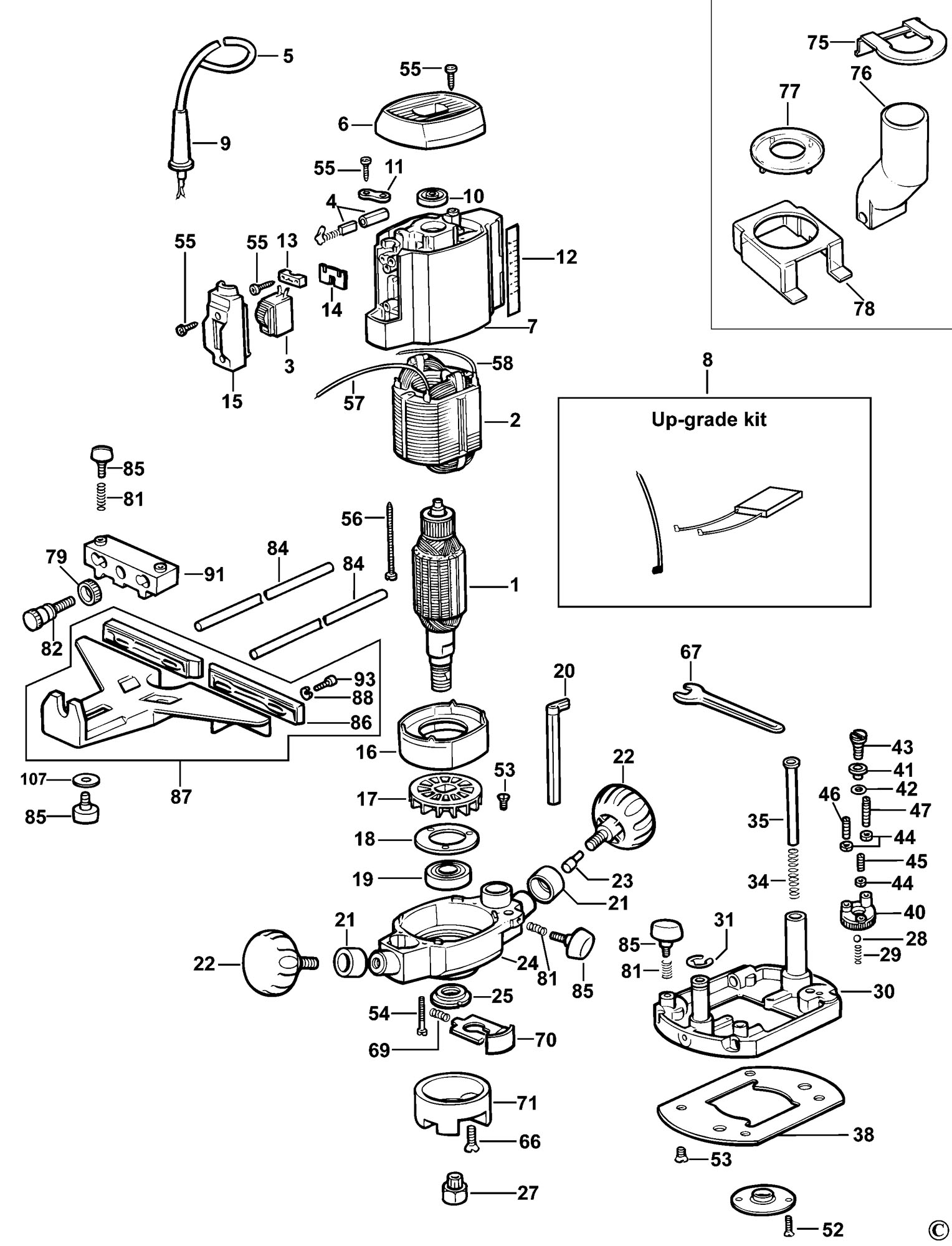
Triton Router Parts Diagram . • use clamps or another practical way to secure and support. dismantling the triton tra001 3¼hp router some preparatory steps are required. Description qty comments 87 tra109 snap. View the triton tra001 manual for free or ask your question to other triton tra001 owners. 1 tra067 screw, motor top cover 2 tra007 motor top cover 3 tra027 speed controller 4. parts of the power tool “live” and could give the operator an electric shock. Item part number description qty 1 309242 motor top cover screw 2 2 311079 motor top cover 1. 2” precision router spare parts listing. For a parts diagram, please click here (opens in a.
from www.routerforums.com
For a parts diagram, please click here (opens in a. parts of the power tool “live” and could give the operator an electric shock. Description qty comments 87 tra109 snap. View the triton tra001 manual for free or ask your question to other triton tra001 owners. 1 tra067 screw, motor top cover 2 tra007 motor top cover 3 tra027 speed controller 4. • use clamps or another practical way to secure and support. Item part number description qty 1 309242 motor top cover screw 2 2 311079 motor top cover 1. dismantling the triton tra001 3¼hp router some preparatory steps are required. 2” precision router spare parts listing.
Triton TRB001 stuck in plunge mode Router Forums
Triton Router Parts Diagram 2” precision router spare parts listing. • use clamps or another practical way to secure and support. View the triton tra001 manual for free or ask your question to other triton tra001 owners. For a parts diagram, please click here (opens in a. Description qty comments 87 tra109 snap. parts of the power tool “live” and could give the operator an electric shock. dismantling the triton tra001 3¼hp router some preparatory steps are required. Item part number description qty 1 309242 motor top cover screw 2 2 311079 motor top cover 1. 2” precision router spare parts listing. 1 tra067 screw, motor top cover 2 tra007 motor top cover 3 tra027 speed controller 4.
From www.woodworkingcentreshop.co.uk
Triton Finishing and Joining Products from The Woodworking Centre Triton Router Parts Diagram 2” precision router spare parts listing. parts of the power tool “live” and could give the operator an electric shock. Item part number description qty 1 309242 motor top cover screw 2 2 311079 motor top cover 1. dismantling the triton tra001 3¼hp router some preparatory steps are required. For a parts diagram, please click here (opens. Triton Router Parts Diagram.
From carbideprocessors.com
Woodworking Routers Triton Plunge Router Carbide Processors Triton Router Parts Diagram 2” precision router spare parts listing. 1 tra067 screw, motor top cover 2 tra007 motor top cover 3 tra027 speed controller 4. Description qty comments 87 tra109 snap. Item part number description qty 1 309242 motor top cover screw 2 2 311079 motor top cover 1. dismantling the triton tra001 3¼hp router some preparatory steps are required. •. Triton Router Parts Diagram.
From flectone.ru
Схема тритон Triton Router Parts Diagram For a parts diagram, please click here (opens in a. 2” precision router spare parts listing. View the triton tra001 manual for free or ask your question to other triton tra001 owners. Item part number description qty 1 309242 motor top cover screw 2 2 311079 motor top cover 1. • use clamps or another practical way to secure. Triton Router Parts Diagram.
From diagramlibrarynuzzled.z19.web.core.windows.net
Parts For Triton Router Triton Router Parts Diagram 2” precision router spare parts listing. View the triton tra001 manual for free or ask your question to other triton tra001 owners. dismantling the triton tra001 3¼hp router some preparatory steps are required. • use clamps or another practical way to secure and support. Description qty comments 87 tra109 snap. For a parts diagram, please click here (opens. Triton Router Parts Diagram.
From www.youtube.com
Triton router 12pce Template Guide Kit Initial impressions, creating Triton Router Parts Diagram Description qty comments 87 tra109 snap. 2” precision router spare parts listing. For a parts diagram, please click here (opens in a. View the triton tra001 manual for free or ask your question to other triton tra001 owners. parts of the power tool “live” and could give the operator an electric shock. 1 tra067 screw, motor top cover. Triton Router Parts Diagram.
From mydiagram.online
[DIAGRAM] Wiring Diagram Triton Triton Router Parts Diagram For a parts diagram, please click here (opens in a. 1 tra067 screw, motor top cover 2 tra007 motor top cover 3 tra027 speed controller 4. dismantling the triton tra001 3¼hp router some preparatory steps are required. Item part number description qty 1 309242 motor top cover screw 2 2 311079 motor top cover 1. • use clamps or. Triton Router Parts Diagram.
From reviewmotors.co
Triton Router Spare Parts Reviewmotors.co Triton Router Parts Diagram 1 tra067 screw, motor top cover 2 tra007 motor top cover 3 tra027 speed controller 4. dismantling the triton tra001 3¼hp router some preparatory steps are required. Item part number description qty 1 309242 motor top cover screw 2 2 311079 motor top cover 1. Description qty comments 87 tra109 snap. • use clamps or another practical way to. Triton Router Parts Diagram.
From www.toolsparesonline.com
Tool Spares Online. Dual Mode Precision Router 1400W Triton Router Parts Diagram Item part number description qty 1 309242 motor top cover screw 2 2 311079 motor top cover 1. parts of the power tool “live” and could give the operator an electric shock. For a parts diagram, please click here (opens in a. 2” precision router spare parts listing. dismantling the triton tra001 3¼hp router some preparatory steps. Triton Router Parts Diagram.
From www.poolsinc.com
Pentair Triton II Replacement Parts Triton Router Parts Diagram dismantling the triton tra001 3¼hp router some preparatory steps are required. 2” precision router spare parts listing. parts of the power tool “live” and could give the operator an electric shock. Description qty comments 87 tra109 snap. Item part number description qty 1 309242 motor top cover screw 2 2 311079 motor top cover 1. View the. Triton Router Parts Diagram.
From www.highlandwoodworking.com
Triton Router Template Guide Kit TGA 250 Router Accessories Triton Router Parts Diagram Item part number description qty 1 309242 motor top cover screw 2 2 311079 motor top cover 1. 2” precision router spare parts listing. 1 tra067 screw, motor top cover 2 tra007 motor top cover 3 tra027 speed controller 4. For a parts diagram, please click here (opens in a. • use clamps or another practical way to secure. Triton Router Parts Diagram.
From www.toolsparesonline.com
Tool Spares Online. Precision Circular Saw 185mm Triton Router Parts Diagram Description qty comments 87 tra109 snap. dismantling the triton tra001 3¼hp router some preparatory steps are required. 2” precision router spare parts listing. 1 tra067 screw, motor top cover 2 tra007 motor top cover 3 tra027 speed controller 4. Item part number description qty 1 309242 motor top cover screw 2 2 311079 motor top cover 1. View. Triton Router Parts Diagram.
From infoupdate.org
Triton Router Spare Parts List Triton Router Parts Diagram • use clamps or another practical way to secure and support. View the triton tra001 manual for free or ask your question to other triton tra001 owners. 2” precision router spare parts listing. parts of the power tool “live” and could give the operator an electric shock. Item part number description qty 1 309242 motor top cover screw. Triton Router Parts Diagram.
From infoupdate.org
Triton Router Spare Parts List Triton Router Parts Diagram 1 tra067 screw, motor top cover 2 tra007 motor top cover 3 tra027 speed controller 4. parts of the power tool “live” and could give the operator an electric shock. dismantling the triton tra001 3¼hp router some preparatory steps are required. For a parts diagram, please click here (opens in a. • use clamps or another practical way. Triton Router Parts Diagram.
From choicesdepot.com
Triton TRA001 31/4 HP Dual Mode Precision Plunge Router Triton Router Parts Diagram 1 tra067 screw, motor top cover 2 tra007 motor top cover 3 tra027 speed controller 4. dismantling the triton tra001 3¼hp router some preparatory steps are required. parts of the power tool “live” and could give the operator an electric shock. 2” precision router spare parts listing. View the triton tra001 manual for free or ask your. Triton Router Parts Diagram.
From marman-tools.com
Insert Plate 2.0KTRI for Triton MarMan Tools Triton Router Parts Diagram For a parts diagram, please click here (opens in a. Item part number description qty 1 309242 motor top cover screw 2 2 311079 motor top cover 1. 1 tra067 screw, motor top cover 2 tra007 motor top cover 3 tra027 speed controller 4. dismantling the triton tra001 3¼hp router some preparatory steps are required. View the triton tra001. Triton Router Parts Diagram.
From www.ebay.co.uk
Elu Genuine Spare Parts MOF96 Router Type 3 eBay Triton Router Parts Diagram dismantling the triton tra001 3¼hp router some preparatory steps are required. View the triton tra001 manual for free or ask your question to other triton tra001 owners. Description qty comments 87 tra109 snap. 2” precision router spare parts listing. 1 tra067 screw, motor top cover 2 tra007 motor top cover 3 tra027 speed controller 4. parts of. Triton Router Parts Diagram.
From choicesdepot.com
Triton TRA001 31/4 HP Dual Mode Precision Plunge Router Triton Router Parts Diagram Description qty comments 87 tra109 snap. dismantling the triton tra001 3¼hp router some preparatory steps are required. • use clamps or another practical way to secure and support. 1 tra067 screw, motor top cover 2 tra007 motor top cover 3 tra027 speed controller 4. View the triton tra001 manual for free or ask your question to other triton tra001. Triton Router Parts Diagram.
From www.sealantsandtoolsdirect.co.uk
Triton Template Router Guide 12 Piece Kit 125249 TGA250 Sealants and Triton Router Parts Diagram • use clamps or another practical way to secure and support. parts of the power tool “live” and could give the operator an electric shock. dismantling the triton tra001 3¼hp router some preparatory steps are required. 2” precision router spare parts listing. For a parts diagram, please click here (opens in a. Description qty comments 87 tra109. Triton Router Parts Diagram.